产品展示
韩国三和EUCR(EUCR-2C) 05R 220D V|韩国三和EUCR/EUCR-2C电动机保护器
首页 / 产品中心 / 电子式电流继电器(AC)
产品标题:韩国三和EUCR(EUCR-2C) 05R 220D V|韩国三和EUCR/EUCR-2C电动机保护器
产品ID:VIB20090708234942734
品  牌:韩国三和EOCR
所在地:中国 上海
价  格:面议 (大量采购价格面议)
库存状态:货期待查
更新日期:2025-12-19 7:11:53
咨询电话:(+86)021-51699285
咨询Q Q: 2695337323
产品简述

 

密集型设计
二个集成组装电流互感器 
欠载保护(空转保护)
宽的电流调整范围
定时限跳闸特性
手动即时复位/电动远距离复位
强的环境适应性
“无-失效-安全”工作

产品详情

韩国三和EUCR/EUCR-2C 保  护

 

 
保护项目

跳闸时间

欠电流(空转)

U-TIME

 
韩国三和EUCR/EUCR-2C 技术指标
 

电流设定

型号

设定范围

05

0.5~ 6A

30

3 ~ 30A

60

5~ 60A

100~600

05型加装外接CT(电流变比:100/5-600/5)

跳闸时间设定

O-TIME

0.2 ~ 30秒

复位
手动(即时)电动(远距离)
时间-电流特性
定时限

电源

电压
24

24VAC/DC

110
110VAC
220
220VAC
频率
50/60HZ

继电器输出

型式

1-SPDT(IC)

负载
3A / 250VAC 阻性

状态

常态不激励

安装

35mm 道轨/配电盘安装

 
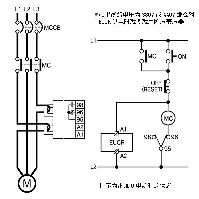
韩国三和EUCR/EUCR-2C 典型参考图/接线图/安装尺寸图
 


型号名称

装箱数

价格

韩国三和EUCR(EUCR-2C) 60R 110D V

10

询价

韩国三和EUCR(EUCR-2C) 30R 110D V

10

询价

韩国三和EUCR(EUCR-2C) 05R 110D V

10

询价

韩国三和EUCR(EUCR-2C) 60R 220D V

10

询价

韩国三和EUCR(EUCR-2C) 30R 220D V

10

询价

韩国三和EUCR(EUCR-2C) 05R 220D V

10

询价